——引言
通过现代建筑技术、材质和工艺的处理,将传统中式建筑和郑州的地域人文特征,流转浸透在一窗一格、一亭一院之中。整体既体现现代建筑的简约时尚,又蕴含中式建筑的清幽静逸的意境。

东方美学,古韵新风
——简介 INTRODUCTION
本案位于古城郑州经济技术开发区东侧核心区,前期为销售中心,后期作为小区幼儿园使用。
设计上通过现代建筑技术、材质和工艺的处理,将传统中式建筑和郑州的地域人文特征,流转浸透在一窗一格、一亭一院之中。既显中式格调,又毫无复古之赘。出檐深远的金属屋面,半室外的亲水走廊,结合大面积中央水景,于窗花百叶的光影摇曳中营造出典雅中式味道的空间氛围。整体既体现现代建筑的简约时尚,又蕴含中式建筑的清幽静逸的意境。
本案已第十二届金盘奖评选中荣获年度最佳预售楼盘。

中式礼序 贵雅格局。
——空间与流线 TECHNIQUE&METERIAL
建筑格局上讲究起承转合的气韵变化, 整个示范区的流线关系是收分有致的层层院落,通过一厅一园一堂一院一苑的五个层级形成三进庭院,形成中国古典园林的“礼序格局”,呈现出东方建筑的神韵。

◎总平面图

◎门之礼

◎院之深

◎水之娑
建筑主体由一栋三层的L形主楼和一栋二层的南北向辅楼围合而成,中央庭院以水景为主,树木点缀其间,漫步于亲水平台,似漂浮水面之上,水的柔美和建筑刚硬的线条碰撞,浑然天成,别有风致,使得建筑有静谧脱俗之感。整个空间布局有开有阖,建筑与水景互为阴阳,藏风聚气暗含风水,释放了场地环境的最大优势。

◎建筑主立面

◎建筑主立面
设计力求在同一场所中,建筑与景观能够相互平衡与渗透。建筑对入口大门,回廊茶亭等景观构造物进行了一体化设计。
入口作为整体形象的第一印象,力求体现出示范区贵雅格调,并呈现北方建筑的尺度与气度。简洁的石材斜切面,典雅的金属格栅与建筑立面融为一体,大气雅致却又不失细节与精致。

◎主入口

◎主入口细部
回廊茶亭连接入口与中心水景,两侧的金属格栅与入口大门相互呼应,照壁处的金属格栅元素提取于建筑立面的“门”字型构图母题,采用铜拉丝质面,体现了建筑对精细化设计的追求。


◎茶亭/回廊细部
“复行数十步, 豁然开朗”,穿过茶亭,宽阔的镜面水池充盈视野。飞檐柱廊倒影深深,宛若立于水中的亭台楼阁。镜面水的特质放大了院落的空间,风过掀起的涟漪让影像还实为虚,却也正是水院的迷人之处。

◎水院日景

◎水院日景
◎水院夜景

◎水院夜景

◎水院夜景
光影层叠 书墙画艺
——手法与材料 TECHNIQUE&METERIAL
建筑主体采用框架结构,立面由玻璃幕墙,金属幕墙与石材幕墙相互结合而成。主体立面设计,基于新亚洲风格的审美原则,融入现代简约的设计手法,从整体出发,细腻刻画,以斜切面石材形成的“门”字型为母题,通过母题阵列形成柱列,同时融合亚洲风味的格栅花格等元素,形成清新高雅,挺拔秀丽的整体立面格调。

◎建筑立面

◎立面细部
石材选用光面的葡萄牙砂岩,质感细腻典雅,与仿古铜拉丝铝板屋檐搭配,暗合中式的粉墙黛瓦。石材的分隔采用自由的错缝形式,结合斜切面母题,让立面更增细节。屋顶挑檐通过斜切和收口处的精细化 处理实现轻薄飘逸的视觉感受。

◎立面细部

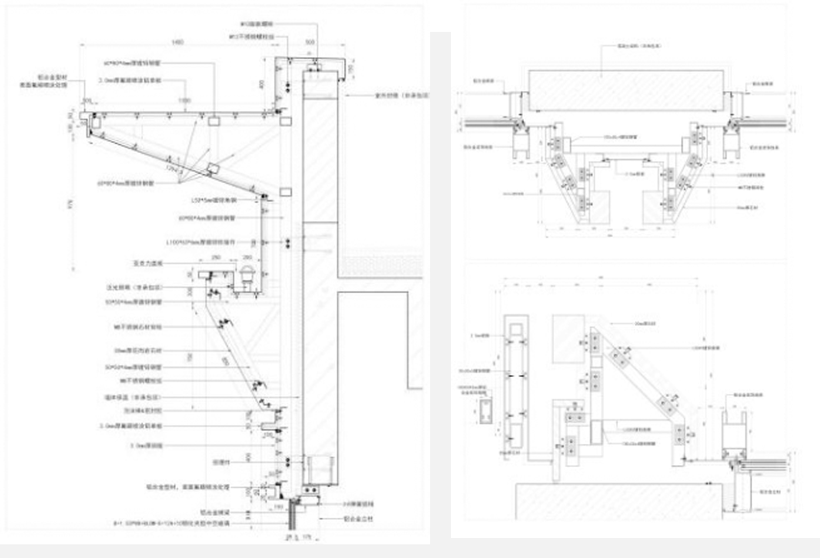
◎挑檐细部节点 ◎幕墙细部节点
金属花格和百叶格栅的运用是本案的点睛之笔,这些半虚半实的装饰构件,让建筑于公共和私密之间产生一种暧昧的空间。使得建筑更具美感,或虚或实,亦动亦静。与水与光都产生了不同的化学反应,某种意义上,这种窗漏的设定过滤了光线,记录时间行进的轨迹。当阳光穿过格栅与花格的缝隙,最终化为墙上的落落光影,寄托着人们对传统文化的记忆。

◎金属花格

◎金属格栅
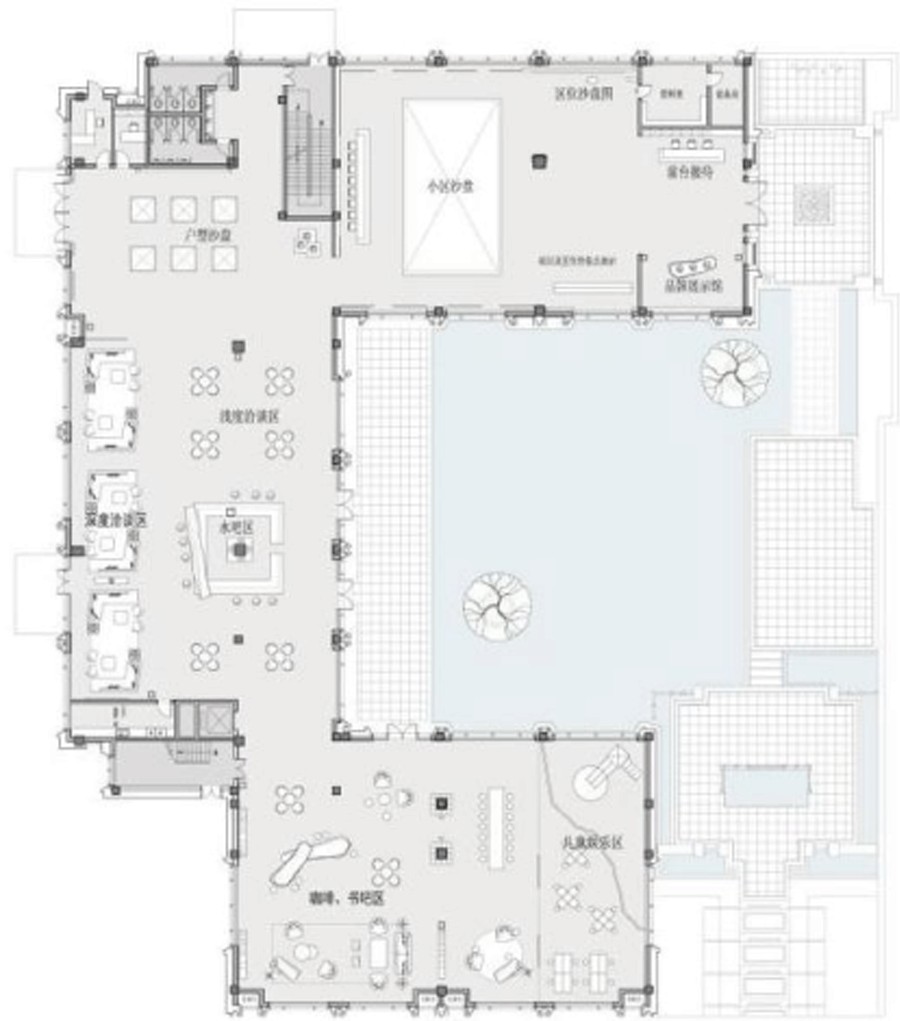
平面—PLAN

◎一层平面
工程档案
项目名称 丨 郑州康桥悦蓉园售楼中心
地理位置 丨 郑州经南十二路
设计单位 丨 上海日清建筑设计有限公司
总建筑师 丨 宋照青
设计团队 丨 赵晶鑫 李哲翔 陈良鹏 方异辰
建筑面积 丨 4150㎡
设计时间 丨 2017.01
竣工时间 丨 2017.07
建筑摄影 丨 张虔希 李逸






